PRODUCTS & SOLUTIONS LIST.
Schematic Capture
Clear and Concise Schematic Designs
Pulsonix Schematic Editor는 풍부한 기능이 담긴 최적화된 툴셋을 제공합니다. 이를 통해 어떤 복잡한 회로도도 빠르고 손쉽게 설계할 수 있으며, 당신의 아이디어를 효율적으로 현실화하는 데 집중할 수 있습니다.
Design Variants
Hierarchical Design


회로도 디자인 내에서 필요한 모든 부품 및 조립 변형을 손쉽게 설정할 수 있습니다. 이렇게 정의된 정보는 PCB로 자동 전송되어, 설계 과정의 정확성과 효율성을 극대화합니다.
'하향식(Top Down)' 및 '상향식(Bottom Up)' 설계를 모두 지원합니다. '하향식'은 전체 블록을 기능별 요소로 세분화하여 각 요소의 상세 정의를 돕고, '상향식'은 미리 정의된 회로 요소를 재사용하여 솔루션 구축을 효율적으로 만듭니다.
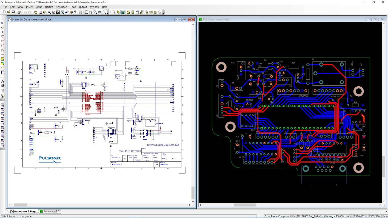
Instant Cross Probing
Forwards & Backwards Design Annotation


회로도 디자인 내에서 필요한 모든 부품 및 조립 변형을 손쉽게 설정할 수 있습니다. 이렇게 정의된 정보는 PCB로 자동 전송되어, 설계 과정의 정확성과 효율성을 극대화합니다.
회로도에서 발생한 설계 변경 사항과 ECO(Engineering Change Order)를 PCB로 편리하게 전송할 수 있습니다. 더불어, PCB에서 이루어진 수정 내용은 다시 회로도(Schematic)로 완벽하게 역주석(Back Annotate)되어 항상 최신의 설계 상태를 유지하도록 돕습니다.
Intelligent PDF Export
Electrical Rules Checking


설계된 내용을 '스마트 PDF(Intelligent PDF)' 파일로 간편하게 내보내세요. 이 지능형 PDF 파일을 통해 도면 및 디자인 내의 모든 요소별 속성과 상세 값을 직접 조회하고 확인할 수 있어, 설계 분석과 공유가 더욱 편리해집니다.
회로 설계 과정에서 연결 규칙 준수를 보장하기 위해, 실시간(Online) 및 대화형 배치 모드(Batch mode) ERC(전기 규칙 검사) 기능을 모두 제공합니다. 설계 중 언제든지 전기적 오류를 정확하게 확인하고 수정하여, 완벽한 회로 디자인을 완성하실 수 있습니다.