환경 오염과 기후 변화로부터 지구를 지키는, 공학 기술 그 이상의 가치 창조

Pulsonix Version 14.0 - Highlights


2025년 Pulsonix가 새롭게 선보이는 기능들을 만나보세요!

고객 여러분의 소중한 요청을 반영한 Pulsonix 2025년 버전은 더욱 향상된 성능과 혁신적인 신규 기능들을 대거 탑재했습니다.

아래에서 V14.0의 주요 하이라이트를 확인하실 수 있습니다:




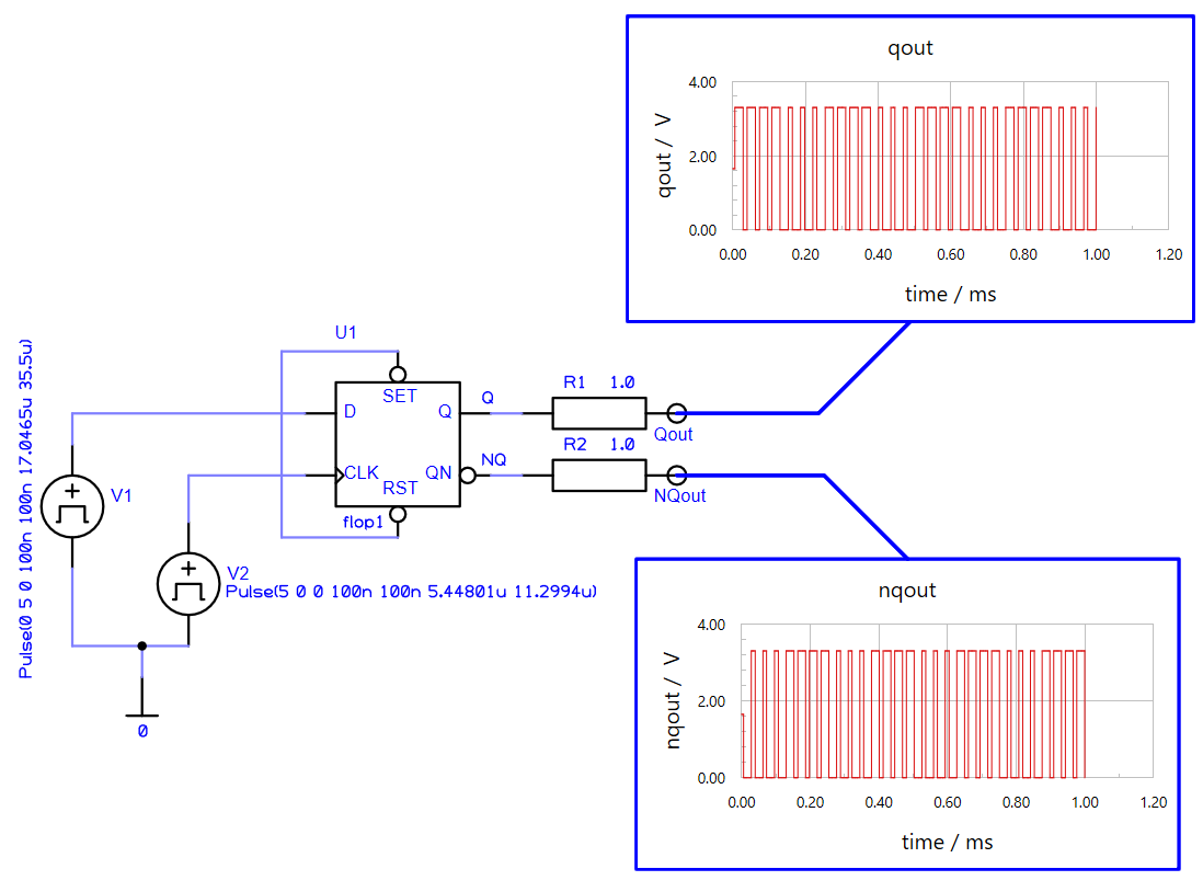
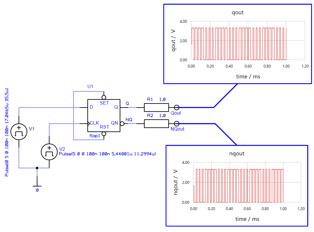
PulsonixSim Spice Simulator

3D Flexi Bend Region – Lift-off State

Pulsonix V14에서는 업계 표준 ngspice Spice 엔진을 기반으로 한 새로운 PulsonixSim Spice 시뮬레이터 옵션을 선보입니다. Pulsonix Schematic Editor와 완벽하게 통합된 환경에서 분석 모드를 정의하고, 자극(stimuli) 및 프로브(probes)를 추가하며, 라이브러리 부품에 Spice 모델을 연결하여 회로를 시뮬레이션하는 모든 과정을 Pulsonix 안에서 seamless하게 처리할 수 있습니다.

Pulsonix의 향상된 Flexi-Board 기술은 이제 벤드 영역에 '리프트오프' 상태를 적용할 수 있도록 지원합니다. 이 기능을 통해 플렉시블 기판 부분이 반드시 PCB의 외부 가장자리에서 시작할 필요 없이, 기존 기판 경계 내부에서 자유롭게 시작할 수 있습니다. 벤드 영역의 가장자리에서부터 설정된 반경 매개변수에 따라 자연스럽게 변형되어, 더욱 복잡하고 정교한 플렉시블 PCB 디자인을 구현할 수 있습니다.


3D Interactive Clipping Plane

Interactive HTML BOM Feature

Pulsonix 3D 뷰어에  클리핑 플레인 기능이 탑재되어 더욱 효율적인 설계 검토가 가능해졌습니다. 이 시각화 옵션을 통해 설계의 특정 영역을 선택적으로 숨겨 관심 있는 부분에 집중할 수 있습니다. X, Y, Z 축의 평면을 독립적으로 조절할 수 있으며, 일반적인 클리핑 뷰를 반전시킬 수도 있습니다.

Pulsonix V14.0에서는 대화형 HTML BOM 옵션이 새롭게 추가되었습니다. 이 플러그인 옵션은 Pulsonix 설계 정보를 HTML 형식으로 내보내어, 웹 브라우저에서 편리하게 조회하고 검색할 수 있는 대화형 디자인 및 BOM(자재 명세서) 목록을 생성합니다.


Circular Hatching Style

Graphical Design & Symbol Compare

Pulsonix는 기존의 선형 해칭 방식에 더해 새로운 '원형 해칭' 스타일을 선보입니다. 둥근 형태의 해칭은 에칭 공정 시 발생할 수 있는 '문제성 모서리'를 크게 줄여, 제조상의 오류를 최소화합니다.  결과적으로, 이 방식은 해칭된 구리 영역에 인접한 트랙의 임피던스 변화에 미치는 영향을 현저히 감소시켜, 고속 신호 설계의 신뢰도와 안정성을 크게 향상시킵니다.

Pulsonix는 설계의 정확성을 보장하기 위해 강력한 '심볼/풋프린트 비교(Symbol/Footprint Compare)' 옵션을 제공합니다. 이 기능은 두 심볼 간의 차이점을 상세히 보고서 형태로 제공하며, 특히 새로운 '대화형 비교 모드'를 통해 시각적으로 중첩된(overlaid) 그래픽으로 직관적인 차이 확인이 가능합니다. 이 모드는 '디자인 개정 분석기(Design Revision Analyser)'에서 활성화되며, 디밍 및 저조도 처리된 그래픽으로 설계 변경 사항을 강조하여 복잡한 개정 과정에서도 중요한 변화를 한눈에 파악하고 정밀하게 검증할 수 있도록 지원합니다.


상호명 : 타임콘트롤ㅣ 대표이사 : 이진회 ㅣ사업자등록번호 : 138-02-80040
TEL : +82 31 456 6336ㅣ MOBILE FAX : 0508 900 2543
EMAIL : tc_seungsu@naver.com  ㅣ 주소 : 경기도 안양시 동안구 달안로 10 B-22 


Copyright ©2025. TIMECONTROL. All rights reserved.