환경 오염과 기후 변화로부터 지구를 지키는, 공학 기술 그 이상의 가치 창조


Smart Tweezers ST5S-BT2: 연결 및 실시간 측정
  • USB 수신기 스틱을 통한 연결: ST5S-BT2는 USB 수신기 스틱을 사용하여 가상 시리얼 포트를 설정하고 다른 장치와 연결됩니다. (참고: 이 수신기 스틱은 PC 및 NI Labview® 소프트웨어와 함께 사용되어야 합니다.)
  • 실시간 원격 측정 기록: Smart Tweezers는 블루투스를 통해 TeraTerm과 같은 소프트웨어로 측정값을 전송합니다. 측정값은 기기 화면에 표시되는 내용과 동일하게 쉼표로 구분된 문자열 형태로 전송됩니다.
    • 예시 문자열: C1.398nF,R3.461kR,10kHz,0.5,S,,,,; 이 문자열은 다음과 같이 설명됩니다: 주 임피던스 값 유형(C)과 그 값(1.398nF), 보조 임피던스(R)와 그 값, 테스트 주파수(10kHz), 테스트 신호 레벨(0.5V), 측정 모드(직렬의 S), 그리고 4개의 예약된 값입니다.
    • 이 정보는 전송되어 필요에 따라 파일이나 문서로 저장할 수 있습니다. LabView® 소프트웨어를 사용하면 컴퓨터는 이 데이터를 추후 사용을 위해 처리하거나 데이터베이스에 저장할 수 있습니다.
  • 폭넓은 호환성: Smart Tweezers ST5S-BT2는 PC(수신기 스틱 필요)뿐만 아니라 Android와 iOS용 전용 앱과도 연결할 수 있습니다.

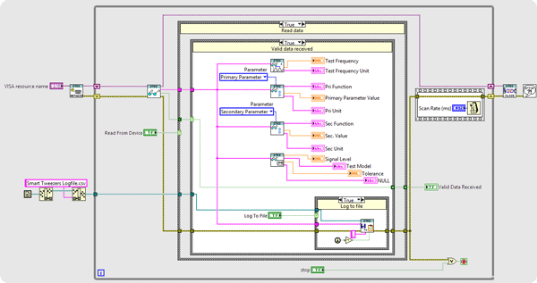
National Instruments LabView® 연동
  • 공식 드라이버 지원 및 인증: Smart Tweezers ST5S-BT2용 LabView® 드라이버는 National Instruments의 공식적인 지원 및 인증을 받았습니다.
  • 원활한 통합: 이 드라이버를 사용하여 블루투스 기능이 활성화된 Smart Tweezers와 LabView® 환경 간의 매끄러운 통합이 가능합니다.
  • 데이터 관리: 연결되면 LabView®는 데이터베이스 저장소를 생성하고 측정 데이터를 기록할 수 있어, 측정 결과의 체계적인 관리 및 분석에 용이합니다.

National Instruments LabView®와의 공식적인 연동을 통해, Smart Tweezers ST5S-BT2는 정밀한 측정에서 나아가 데이터의 효율적인 수집과 분석을 위한 완벽한 솔루션을 제공합니다.


Windows용 Smart Tweezers 블루투스 유틸리티
  • Windows 환경 연동: Smart Tweezers ST5S-BT2는 Windows 7/8/10 환경에서 Smart Tweezers 블루투스 유틸리티와 연결하여 사용할 수 있습니다.
  • 정보 교환: 유틸리티에 연결되면 ST5S-BT2 장치는 맞춤 프로필 및 설정을 포함하여 프로그램과 장치 간의 정보를 주고받을 수 있습니다.
  • 데이터 로깅: 장치에서 전송된 모든 데이터는 Excel용 .csv 파일로 기록되거나, 원하는 파일 형식으로 복사 및 붙여넣기 할 수 있습니다.
  • 맞춤 프로필: 사용자는 이전 측정값을 기반으로 하거나 수동으로 맞춤 프로필을 생성할 수 있습니다. 이 프로필에는 측정 매개변수는 물론, 테스트 주파수와 같은 장비 설정까지 포함하여 측정의 일관성과 효율성을 높입니다. 
  • 전용 매뉴얼 제공: Siborg는 Windows용 블루투스 유틸리티 매뉴얼을 제공합니다.

전용 및 맞춤형 애플리케이션 지원
  • 모바일 기기 연결: Smart Tweezers ST5S-BT2는 iOS 또는 Android 운영체제를 사용하는 휴대폰 및 태블릿과 직접 연결할 수 있습니다. 각 앱 스토어에서 제공되는 전용 앱을 통해 장비를 편리하게 활용하세요.
  • 앱을 통한 기능 확장: 전용 앱은 장비와의 연결은 물론, 측정 데이터의 기록, 다른 연결된 장치와의 데이터 공유, 그리고 측정값을 시각적으로 파악하는 데 도움을 줍니다.
  • 맞춤형 환경 통합: 시중에 판매되는 USB 블루투스 수신기를 활용하면, 블루투스 Smart Tweezers 장치를 사용자의 특정 요구에 맞는 맞춤형 환경에 통합할 수 있습니다. 이 수신기는 FTDI 브릿지를 기반으로 가상 RS232 시리얼 포트를 생성하여 간편한 연결을 지원합니다.

Smart Tweezers ST5S-BT2의 주요 사양
  • 수동 및 자동 L, C, R, ESR, Z 테스트 모드
  • **0.2%**의 뛰어난 기본 정확도
  • 1%, 5%, 10%, 20% 가변 허용 오차를 통한 부품 분류 기능
  • 조정 가능한 테스트 신호 레벨
  • 기생 오프셋 자동 제거 기능
  • 연속성/다이오드/단락 테스트 지원
  • 맞춤형 측정을 위한 광범위한 메뉴
  • 약 30g (1 oz.)의 초경량
  • NIST 추적 가능한 교정 인증서 제공
  • Li-Ion 배터리 및 마이크로 USB 충전기 포함
  • 4방향 조이스틱 내비게이션

상호명 : 타임콘트롤ㅣ 대표이사 : 이진회 ㅣ사업자등록번호 : 138-02-80040
TEL : +82 31 456 6336ㅣ MOBILE FAX : 0508 900 2543
EMAIL : tc_seungsu@naver.com  ㅣ 주소 : 경기도 안양시 동안구 달안로 10 B-22 


Copyright ©2025. TIMECONTROL. All rights reserved.